Komatsu Yedek Parçaları

Örnek İş Makinaları / Yedek Parça Sistemi

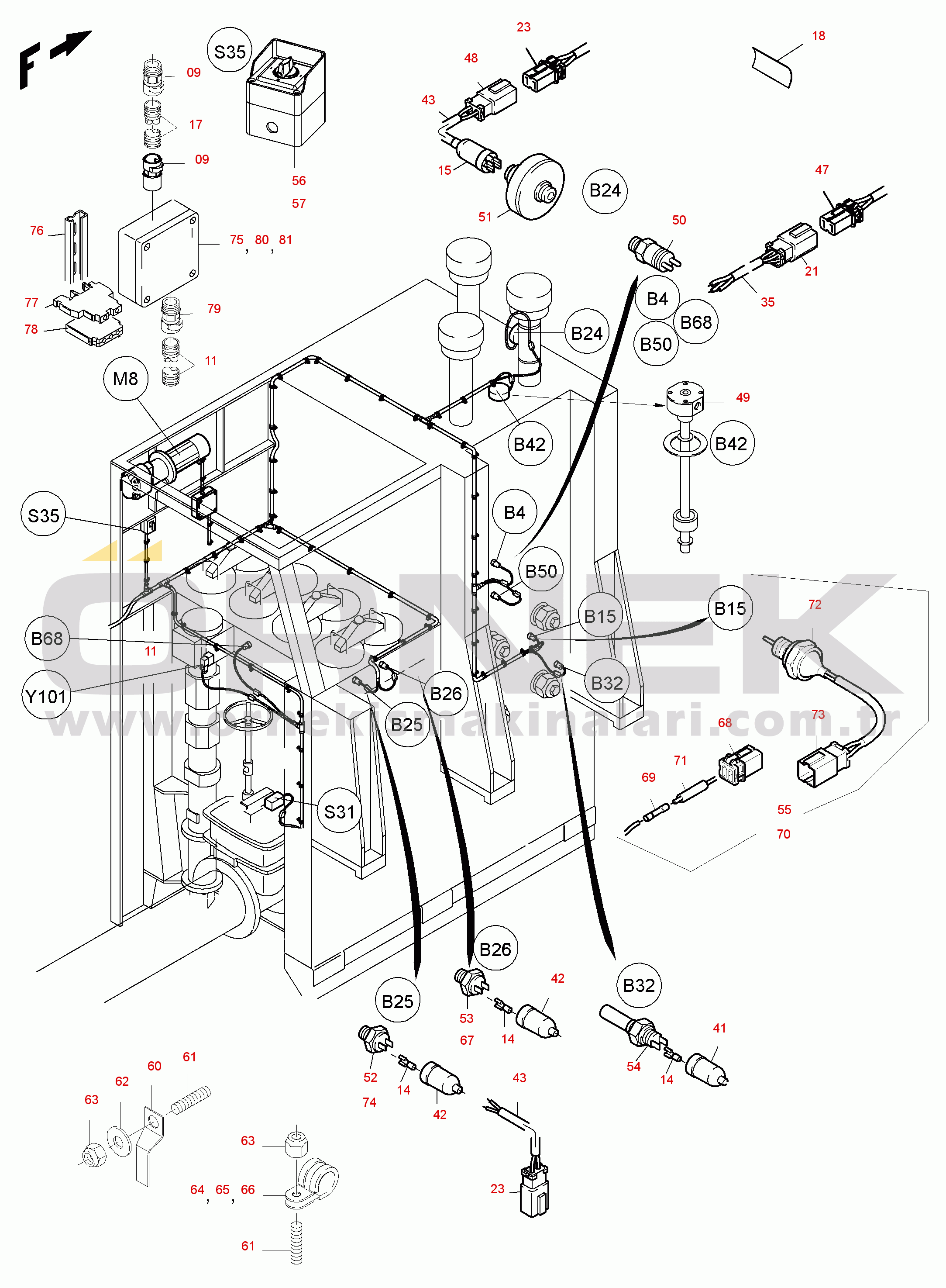
Komatsu PC8000-6E S/N 12056 431 168 40

Komatsu PC8000-6E S/N 12056 Electric - Oil Tank Parça No : 431 168 40
Parça Adı : Temperature transmitter
Ana Parça : Electric - Oil Tank
Makina Adı : PC8000-6E S/N 12056
Seçtiğiniz parca resimdeki 54 nolu parçadır.
DETAYLAR
ÜRÜN, STOK VE FİYAT BİLGİSİ İÇİN LÜTFEN İLETİŞİME GEÇİNİZ.