Komatsu Yedek Parçaları

Örnek İş Makinaları / Yedek Parça Sistemi

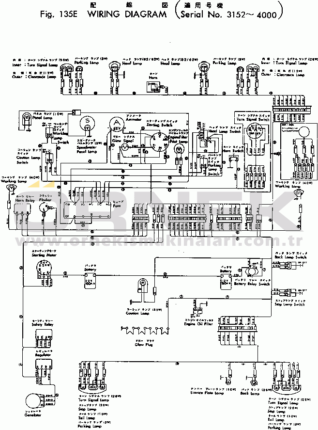
Komatsu GD31-3H S/N 1501-UP 232-06-11570

Komatsu GD31-3H S/N 1501-UP WIRING DIAGRAM(#3152-) Parça No : 232-06-11570
Parça Adı : HARNESS
Ana Parça : WIRING DIAGRAM(#3152-)
Makina Adı : GD31-3H S/N 1501-UP
Seçtiğiniz parca resimdeki 10 nolu parçadır.
DETAYLAR
ÜRÜN, STOK VE FİYAT BİLGİSİ İÇİN LÜTFEN İLETİŞİME GEÇİNİZ.