Komatsu Yedek Parçaları

Örnek İş Makinaları / Yedek Parça Sistemi

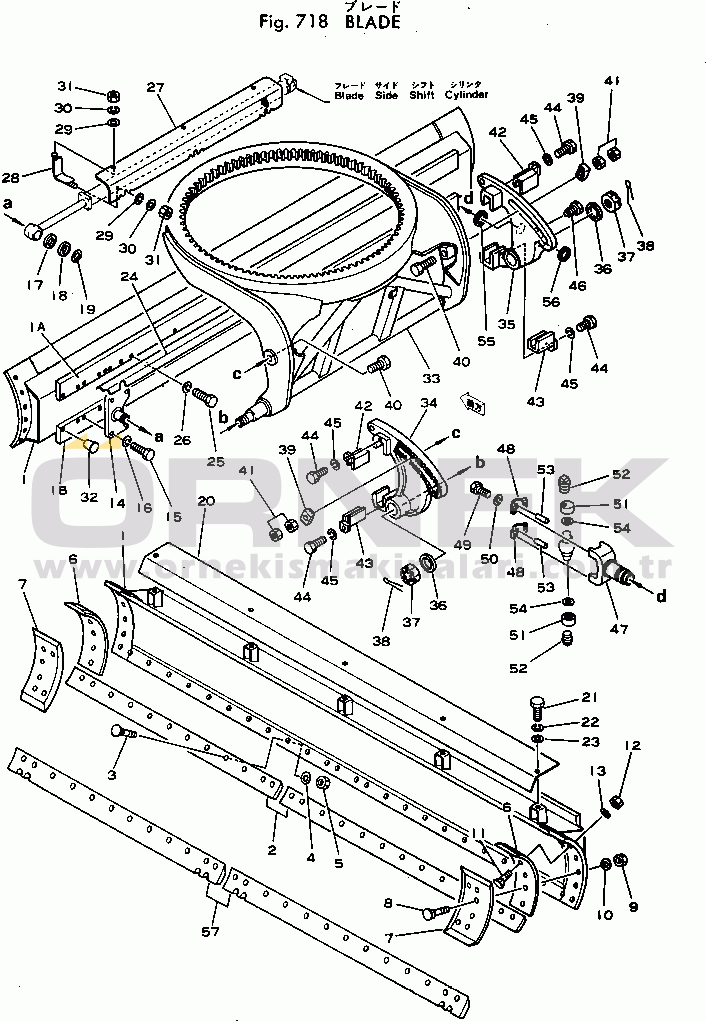
Komatsu GD605A-1 S/N 50002-UP 234-70-12251

Komatsu GD605A-1 S/N 50002-UP BLADE Parça No : 234-70-12251
Parça Adı : GUIDE
Ana Parça : BLADE
Makina Adı : GD605A-1 S/N 50002-UP
Seçtiğiniz parca resimdeki 42 nolu parçadır.
DETAYLAR
ÜRÜN, STOK VE FİYAT BİLGİSİ İÇİN LÜTFEN İLETİŞİME GEÇİNİZ.